MBB C 2500 SZ
photo_panel:

- For steep attachment with extremely short vehicle overhangs
- 2,500 kg lifting capacity with 1,000 mm load distance
- Four-cylinder lifting mechanism with low installation depths
- Design with aluminium or steel platform
- Large selection of special equipment available
Specyfikacja:
| Specyfikacja | Diagram | ||
|---|---|---|---|
| Udźwig | 2500.0 kg | a (mm) | Q (kg) |
| Belka nośna | 180 x 180 mm | 1000 | 2500 |
| Układ hydrauliczny | 1 x siłownik podnoszący / 1 x siłownik zamykający | 1400 | 1785 |
| Platform overlap with floor | - 72 mm | 1600 | 1560 |
| Rostaw ramion podnoszenia /Długość ramion | 1300 mm | 1800 | 1385 |
| Środek ciężkości – ładunek na środku podestu | 1000.0 mm |
![]() |
|
| Środek ciężkości – ładunek po jednej stronie | Central, 50 % pełnego obciążenia na stronę | ||
| Kąt pochylenia podestu | +90° do -10° degrees | ||
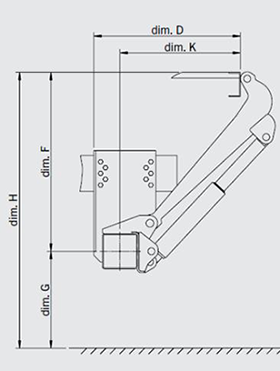
| Dimensions | |||
|---|---|---|---|
| Lift arms (in mm) | 850 |
![]() |
|
| H (max.) | Loading height unloaded | 1480 | |
| H (min.) | Loading height loaded | 1090 | |
| F (max.) | Middle of main beam to upper edge of loading floor | 940 | |
| K (min.) | at dimension F (max.) | 501 | |
| D (min.) | Installation space (min.) | 892 | |
| D (max.) | Installation space (max.) | 965 | |
| F (min.) | 705 | ||
| K (max.) | at dimension F (min.) | 773 | |
| G (max.) | Unloaded (middle of main beam to ground) | 540 | |
| G (min.) | loaded | 385 | |
| WEIGHTS | |||
|---|---|---|---|
| Platform type | Width (mm) | Height (mm) | Dead weight (kg) |
| alu/alu | 2500.0 | 2400.0 | 802.0 |
| The specified weights apply to the lightest platforms of the corresponding height. Dimensions may vary. Subject to technical changes, errors and translation mistakes | |||
plusy:
/*
{"1": {
"x":248,
"y":280,
"mouseover":"Ramp angle of platform",
"onClickHtml":"</br></br>We achieve the lowest ramping angle due to our special connection of the head to the platform."
},
"2": {
"x":296,
"y":256,
"mouseover":"Lifting unit with KTL-coating",
"onClickHtml":"</br></br>All our lifting units are KTL-coated and reach 1000 hours in the salt-spray-test according to EN ISO 12 944-2 CSM."
},
"3": {
"x":345,
"y":198,
"mouseover":"Hydraulic cylinders",
"onClickHtml":"</br></br>One of our core competences is the cylinder manufacturing in our own plant. Here we produce about 65.000 cylinders per annum. A burst pipe protection is achieved by integrated current regulating valves."
},
"4": {
"x":374,
"y":128,
"mouseover":"Control box with interior light",
"onClickHtml":"</br></br>The ergonomically shaped control box has an interior light as standard."
},
"5": {
"x":330,
"y":63,
"mouseover":"Electronic control",
"onClickHtml":"</br></br>The uniqueness of our control is the patented sensor system. Herewith we are able to read out and analyse all directions and speeds of motion.</br>"
}
}
*/
waga:
41.00
tagi:
ca


